製品リリース
2017年07月18日
スタンレー電気/JGN1105H
製品名:JGN1105H-TR
《概要》
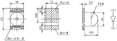
L2.5 x W1.6 x H1.85mmサイズのドームレンズ付き850nm赤外LED
《製品特徴》
・狭指向性: 指向半値角 2θ1/2 = 30deg
・高出力: 50mW/sr @50mA , 120mW/sr @120mA
・大電流: Typ. 50mA , Max. 100mA (DC)
・低VF: Typ. 1.5V
- 放熱性が良い為、大電流により高出力化を実現!
- 従来の砲弾型LED相当の狭指向性と放射強度の為、砲弾型LEDからの置き換え(実装工数の削減)が可能!
-
《アプリケーション/用途》
-
・各種センサー光源 (ライトカーテン、光電センサ、エンコーダ、入退ゲート・扉開閉センサ 等)
・セキュリティー機器 (監視カメラ 等) -
≪主要スペック≫
- ・外寸法
- 単位:mm / 一般寸法公差:±0.1

- ・電気的、光学的特性
- (Ta=25℃)

- ・指向特性

- 購入は ザイコストア から!
-









